|
|
|
To promote LPM usage in Verilog design community. This section describes the syntax for
instantiating LPM in Verilog design file. Module DeclarationTo instantiate component in Verilog design file, the module has to be declared. The
declaration of LPM modules is defined in the LPM
declaration file . In declaring the LPM module, the module should be "fully
described". Which includes all the optional ports, parameters. Once defined, any
number of these "fully described modules" can be instantiated within the Verilog
design. For example, LPM_MULT is declared as follows:
module lpm_mult ( result, dataa, datab, sum, clock, aclr ) ;
parameter lpm_type = "lpm_mult" ;
parameter lpm_widtha = 1 ;
parameter lpm_widthb = 1 ;
parameter lpm_widths = 1 ;
parameter lpm_widthp = 1 ;
parameter lpm_pipeline = 0 ;
parameter lpm_representation = "UNSIGNED" ;
input clock ;
input aclr ;
input [lpm_widtha-1:0] dataa ;
input [lpm_widthb-1:0] datab ;
input [lpm_widths-1:0] sum ;
output [lpm_widthp-1:0] result;
[module body] . . .
endmodule;
Module Instantiation
All the used port connections are defined in port map construct of Verilog. The
unused optional ports were left out from the port map and its' default value from the
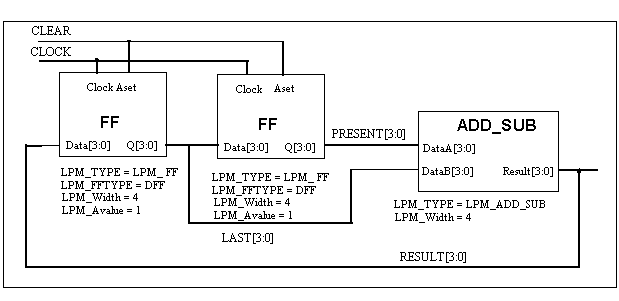
component declaration will be used. For example, the u1 instance in this example only use
aset optional port of LPM_FF so other unused optional ports were left our from the port
map statement. LPM_FF u1 (.data(result), .q(last), .clock(clock),.aset(clear)); All the used LPM properties values are defined in generic map construct of Verilog.
The unused optional properties were left out and its' default value from the component
declaration will be used. For example, the u1 instance in this example is an 4-but DFF
with no synchronous set value (ie. LPM_SVALUE) so the LPM_SVALUE is left out from the
generic map statement.
LPM_FF u1 . . .
defparam u1.lpm_width = 4;
defparam u1.lpm_avalue = 1
LPM Verilog Declaration file
The following LPM verilog file only contains the module declaration that included the pins and properties of LPM modules. Due the limited support of two dimensional array for non-registered functions, LPM_AND, LPM_OR, LPM_XOR and LPM_MUX modules that hav e two dimensional ports are excluded from this declaration file.
module lpm_add_sub ( result, cout, overflow, add_sub, cin, dataa, datab, clock, aclr );
parameter lpm_type = "lpm_add_sub" ;
parameter lpm_width = 1;
parameter lpm_pipeline = 0 ;
parameter lpm_representation = "signed" ;
parameter lpm_direction = "add ;
parameter lpm_hint = "unused";
input [lpm_width-1:0] dataa, datab ;
input add_sub, cin ;
input clock ;
input aclr ;
output [lpm_width-1:0] result ;
output cout, overflow ;
endmodule // lpm_add_sub
module lpm_compare ( alb, aeb, agb, aleb, aneb, ageb, dataa, datab, clock, aclr);
parameter lpm_type = "lpm_compare" ;
parameter lpm_width = 1;
parameter lpm_pipeline = 0 ;
parameter lpm_representation = "unsigned" ;
parameter lpm_hint = "unused";
input [lpm_width-1:0] dataa, datab ;
input clock ;
input aclr ;
output alb, aeb, agb, aleb, aneb, ageb ;
endmodule // lpm_compare
module lpm_constant ( result );
parameter lpm_type = "lpm_constant" ;
parameter lpm_width = 1;
parameter lpm_cvalue = "unused";
parameter lpm_strength = "unused";
output [lpm_width-1:0] result ;
endmodule // lpm_constant
module lpm_counter ( q, eq, data, clock, clk_en, cnt_en, updown,
aset, aclr, aload, sset, sclr, sload);
parameter lpm_type = "lpm_counter" ;
parameter lpm_width = 1;
parameter lpm_modulus = "unused" ;
parameter lpm_avalue = "unused" ;
parameter lpm_svalue = "unused" ;
parameter lpm_pvalue = "unused";
parameter lpm_direction = "unused" ;
parameter lpm_hint = "unused";
output [lpm_width-1:0] q ;
output eq ;
input [lpm_width-1:0] data ;
input clock, clk_en, cnt_en, updown ;
input aset, aclr, aload ;
input sset, sclr, sload ;
endmodule // lpm_counter
module lpm_decode ( eq, data, enable, clock, aclr);
parameter lpm_type = "lpm_decode" ;
parameter lpm_width = 1 ;
parameter lpm_decodes = 1 << lpm_width ;
parameter lpm_pipeline = 0 ;
input [lpm_width-1:0] data ;
input enable ;
input clock ;
input aclr ;
output [lpm_decodes-1:0] eq ;
endmodule // lpm_decode
module lpm_latch ( q, data, gate, aset, aclr);
parameter lpm_type = "lpm_latch" ;
parameter lpm_width = 1 ;
parameter lpm_avalue = "unused" ;
parameter lpm_pvalue = "unused";
input [lpm_width-1:0] data ;
input gate, aset, aclr ;
output [lpm_width-1:0] q ;
endmodule // lpm_latch
module lpm_ram_dq ( q, data, inclock, outclock, we, address);
parameter lpm_type = "lpm_ram_dq" ;
parameter lpm_width = 1 ;
parameter lpm_widthad = 1 ;
parameter lpm_numwords = "unused" ;
parameter lpm_file = "unused" ;
parameter lpm_indata = "registered" ;
parameter lpm_outdata = "registered" ;
parameter lpm_address_control = "registered" ;
input [lpm_width-1:0] data ;
input [lpm_widthad-1:0] address ;
input inclock, outclock, we ;
output [lpm_width-1:0] q;
endmodule // lpm_ram_dq
module lpm_ram_io ( dio, inclock, outclock, we, memenab, outenab, address);
parameter lpm_type = "lpm_ram_io" ;
parameter lpm_width = 1 ;
parameter lpm_widthad = 1 ;
parameter lpm_numwords = "unused" ;
parameter lpm_file = "unused" ;
parameter lpm_indata = "registered" ;
parameter lpm_outdata = "registered" ;
parameter lpm_address_control = "registered" ;
input [lpm_widthad-1:0] address ;
input inclock, outclock, we ;
input memenab ;
input outenab ;
inout [lpm_width-1:0] dio ;
endmodule // lpm_ram_io
module lpm_rom ( q, inclock, outclock, memenab, address);
parameter lpm_type = "lpm_rom" ;
parameter lpm_width = 1 ;
parameter lpm_widthad = 1 ;
parameter lpm_numwords = "unused" ;
parameter lpm_file = "rom.hex" ;
parameter lpm_outdata = "registered" ;
parameter lpm_address_control = "registered" ;
input [lpm_widthad-1:0] address ;
input inclock, outclock ;
input memenab ;
output [lpm_width-1:0] q;
endmodule // lpm_rom
module lpm_bustri ( result, tridata, data, enabledt, enabletr);
parameter lpm_type = "lpm_bustri" ;
parameter lpm_width = 1 ;
input [lpm_width-1:0] data ;
input enabletr ;
input enabledt ;
output [lpm_width-1:0] result;
inout [lpm_width-1:0] tridata ;
endmodule // lpm_bustri
module lpm_inv ( result, data );
parameter lpm_type = "lpm_inv" ;
parameter lpm_width = 1 ;
input [lpm_width-1:0] data ;
output [lpm_width-1:0] result ;
endmodule // lpm_inv
module lpm_clshift ( result, overflow, underflow, data,
direction, distance);
parameter lpm_type = "lpm_clshift" ;
parameter lpm_width = 2 ;
parameter lpm_widthdist = 1 ;
parameter lpm_shifttype = "logical" ;
input [lpm_width-1:0] data ;
input [lpm_widthdist-1:0] distance ;
input direction ;
output [lpm_width-1:0] result;
output overflow ;
output underflow;
endmodule // lpm_clshift
module lpm_mult ( result, dataa, datab, sum, clock, aclr );
parameter lpm_type = "lpm_mult" ;
parameter lpm_widtha = 1 ;
parameter lpm_widthb = 1 ;
parameter lpm_widths = 1 ;
parameter lpm_widthp = 1 ;
parameter lpm_pipeline = 0 ;
parameter lpm_representation = "unsigned" ;
input clock ;
input aclr ;
input [lpm_widtha-1:0] dataa ;
input [lpm_widthb-1:0] datab ;
input [lpm_widths-1:0] sum ;
output [lpm_widthp-1:0] result;
endmodule // lpm_mult
module lpm_ff ( q, data, clock, enable, aclr, aset,
sclr, sset, aload, sload);
parameter lpm_type = "lpm_ff" ;
parameter lpm_fftype = "dff" ;
parameter lpm_width = 1 ;
parameter lpm_avalue = "unused" ;
parameter lpm_svalue = "unused" ;
input [lpm_width-1:0] data ;
input clock, enable ;
input aclr, aset ;
input sclr, sset ;
input aload, sload ;
output [lpm_width-1:0] q;
endmodule // lpm_ff
module lpm_shiftreg ( q, shiftout, data, clock, enable,
aclr, aset, sclr, sset, shiftin, load);
parameter lpm_type = "lpm_shiftreg" ;
parameter lpm_width = 1 ;
parameter lpm_avalue = "unused" ;
parameter lpm_svalue = "unused" ;
parameter lpm_direction = "left" ;
input [lpm_width-1:0] data ;
input clock, enable ;
input aclr, aset ;
input sclr, sset ;
input shiftin, load ;
output [lpm_width-1:0] q;
output shiftout ;
endmodule // lpm_shiftreg
module lpm_abs ( result, overflow, data );
parameter lpm_type = "lpm_abs" ;
parameter lpm_width = 1;
input [lpm_width-1:0] data ;
output [lpm_width-1:0] result ;
output overflow ;
endmodule // lpm_abs
module lpm_inpad ( result, pad );
parameter lpm_type = "lpm_inpad" ;
parameter lpm_width = 1;
input [lpm_width-1:0] pad ;
output [lpm_width-1:0] result ;
endmodule // lpm_inpad
module lpm_outpad ( pad, data );
parameter lpm_type = "lpm_outpad" ;
parameter lpm_width = 1;
input [lpm_width-1:0] data ;
output [lpm_width-1:0] pad ;
endmodule // lpm_outpad
module lpm_bipad ( pad, enable, data, result );
parameter lpm_type = "lpm_bipad" ;
parameter lpm_width = 1;
input enable ;
input [lpm_width-1:0] data ;
input [lpm_width-1:0] result ;
inout [lpm_width-1:0] pad ;
endmodule // lpm_bipad
module lpm_ttable (result, data );
parameter lpm_type = "lpm_ttable" ;
parameter lpm_widthin = 1;
parameter lpm_widthout = 1;
parameter lpm_file = "table.txt" ;
parameter lpm_turthtype = "fd" ;
input [lpm_widthin-1:0] data ;
output [lpm_widthout-1:0] result ;
endmodule // lpm_ttable
module lpm_fsm (result, state, clock, aset, data );
parameter lpm_type = "lpm_fsm" ;
parameter lpm_widthin = 1;
parameter lpm_widthout = 1;
parameter lpm_widths = 1;
parameter lpm_file = "fsm.txt" ;
parameter lpm_avalue = "unused" ;
parameter lpm_pvalue = "unused";
parameter lpm_turthtype = "fd" ;
input clock ;
input aset ;
input [lpm_widthin-1:0] data ;
output [lpm_widths-1:0] state ;
output [lpm_widthout-1:0] result ;
endmodule // lpm_fsm
|
|
Copyright © 1998 University of Manchester |