Updated Oct. 13, 2003
IBM Compatible Parallel Port Interfacing
EE481 Logical Design Lab
Fall 2003, Lab #5
- Describe implementation and application differences of 74373 and
74374 chips. Why (or where) would you choose one over the other?
- How would you measure data transfer rate for a design that you
are suppose to implement in the experiment section?
- Show the design of SR Flip Flop using a D Flip Flop.
- Show the design of T Flip Flop using a SR Flip Flop.
- Show the design of JK Flip Flop using a SR Flip Flop.
- Synthesize the following circuit with D flip flops:
- Design and implementation of a parallel interface for a PC.
- Calculate required drop resister values for the 7-segment
display.
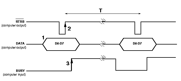
- Design one-way data transmission interface (see Figure
below).
- Implement the interface using TTL logic devices.
- How fast the transfer rate for your PC?

NOTE-1:
Check out the following timing diagram to see how
data transfer and control signal events occur during
a
session. You may also use this diagram to answer prelab questions.

NOTE-2:
You may want to use a Binary-Editor to create your own data
to shape characters at the display. An editor called xed is
loaded into every PC in the lab for this purpuse.
NOTE-3:
Unexpected malfunctioning in your circuit may fry the PC's parallel
port which makes all the computer unusable. To reduce the amount of
damage, a buffer card as a protection interface will be provided. So,
use provided card to protect the PC from unexpected events.
ee481