PART 8
BEHAVIORAL_DESCRIPTIONS
- In General:
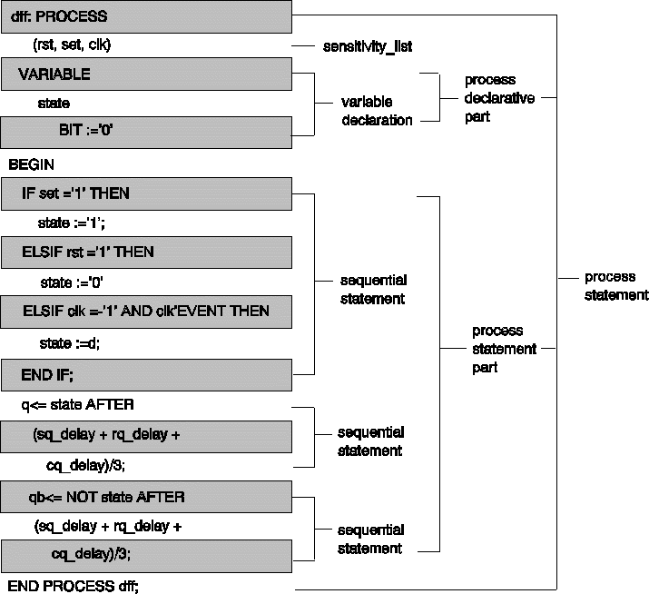
- Behavioral.process
- PROCESS
- . . .
- declarative_part
- . . .
- BEGIN
- . . .
- sequential_part
- . . .
- END PROCESS
- PROCESS:
- A concurrent statement, enclosing sequential statements
- Declarative part contains only variables and constants
- Use only sequential constructs
- Behavioral.process
- Unless sequential part is suspended
- It executes in zero real and delta time
- It repeats itself forever
- Behavioral.process
ARCHITECTURE sequentiality_demo OF partial_process IS
BEGIN
PROCESS
BEGIN
. . .
x <= a;
y <= b;
. . .
END PROCESS;
END sequentiality_demo;
- First: a is scheduled for x
- Next: b is scheduled for y
- x and y receive values at the same time
- Both assignments occur a delta later
- Zero time between both scheduling
- Behavioral.process
ARCHITECTURE execution_time_demo OF partial_process IS
BEGIN
PROCESS
BEGIN
. . .
x <= a AFTER 10 NS;
y <= b AFTER 6 NS;
. . .
END PROCESS;
END execution_time_demo;
- First: a is scheduled for x
- Next: b is scheduled for y
- y receives b sooner than x receiving a
- Behavioral.process
ARCHITECTURE data_availability_demo OF partial_process IS
SIGNAL x_sig : BIT := '0';
BEGIN
PROCESS
BEGIN
. . .
x_sig <= '1';
IF x_sig = '1' THEN
perform action_1
ELSE
perform action_2
END IF;
. . .
END PROCESS;
END data_availability_demo;
- Assume x_sig is initially '0'
- Assignment of '1' to x_sig takes a delta
- Action_2 will be taken
- Variable x_var had to be declared inside the Process statement
- If x_var was used instead of x_sig, action_1 would be taken
Behavioral.process.sensitivity
- ARCHITECTURE ... ARCHITECTURE ...
- BEGIN BEGIN
- ... ...
- PROCESS (b)
- a <= b; a <= b;
- ... END PROCESS;
- ... ...
- c <= d; c <= d;
- ... ...
- END ... END ...
- Process is a concurrent statement
- Signal assignment is a concurrent statement
- Signal assignment is also a sequential statement
- On the left: events on b cause assignment
- Process is executed when an event occurs on b
- On the right: (b) is sensitivity list of process
- Process statement executes only once for every event on b
- Process suspends till next event on b
- Behavioral.process.sensitivity
- ENTITY d_sr_flipflop IS
- GENERIC (sq_delay, rq_delay, cq_delay : TIME := 6 NS);
- PORT (d, set, rst, clk : IN BIT; q, qb : OUT BIT);
- END d_sr_flipflop;
- --
- ARCHITECTURE behavioral OF d_sr_flipflop IS
- SIGNAL state : BIT := '0';
- BEGIN
- dff: PROCESS (rst, set, clk)
- BEGIN
- IF set = '1' THEN state <= '1' AFTER sq_delay;
- ELSIF rst = '1' THEN state <= '0' AFTER rq_delay;
- ELSIF clk = '1' AND clk'EVENT THEN state <= d AFTER cq_delay;
- END IF;
- END PROCESS dff;
- q <= state; qb <= NOT state;
- END behavioral;
- Three concurrent processes
- dff process is sensitive to (rst, set, clk)
- Internal state receives proper value
- Events on state cause events on q and qb after d
- Behavioral.process.sensitivity
- ARCHITECTURE average_delay_behavioral OF d_sr_flipflop IS
- BEGIN
- dff: PROCESS (rst, set, clk)
- VARIABLE state : BIT := '0';
- BEGIN
- IF set = '1' THEN
- state := '1';
- ELSIF rst = '1' THEN
- state := '0';
- ELSIF clk = '1' AND clk'EVENT THEN
- state := d;
- END IF;
- q <= state AFTER (sq_delay + rq_delay + cq_delay)/3;
- qb <= NOT state AFTER (sq_delay + rq_delay + cq_delay)/3;
- END PROCESS dff;
- END average_delay_behavioral;
- Single process assigns values to q and qb
- This description eliminates the d delay of the last description
- Less precise timing
- Behavioral.process.sensitivity
- Simulation run compares flip-flop descriptions
- The 3 process description has a d delay
- However, potential of more precise timing
- Behavioral.process
- Syntax details include sensitivity list
- Behavioral.flow_constructs
- long_running : LOOP
- . . .
- IF x = 25 THEN EXIT;
- END IF;
- . . .
- END LOOP long_running;
- NEXT loop_label WHEN condition;
- EXIT WHEN x = 25;
- Loop is a sequential statement
- Example runs forever unless exited
- EXIT & NEXT control flow of loops
- EXIT & NEXT can be conditioned
- Behavioral.flow_constructs
- loop_1 : FOR i IN 5 TO 25 LOOP
- sequential_statement_1;
- sequential_statement_2;
- loop_2 : WHILE j <= 90 LOOP
- sequential_statement_3;
- sequential_statement_4;
- NEXT loop_1 WHEN condition_1;
- sequential_statement_5;
- sequential_statement_6;
- END LOOP loop_2;
- sequential_statement_7;
- sequential_statement_8;
- END LOOP loop_1;
- FOR, WHILE are controlled forms of loop
- Can still use NEXT and EXIT
- The above NEXT statement causes looping to continue with statements 1
- Behavioral.assertion
- ASSERT assertion_condition REPORT
- "reporting_message" SEVERITY
- severity_level;
- Make sure that assertion_condition is true
- Otherwise report "reporting message" then
- Take the severity_level action
- Use assert to flag violations
- Use assert to report events
- Can be sequential or concurrent
- Severity: FAILURE ERROR WARNING NOTE
- Behavioral.assertion
- BEGIN
- dff: PROCESS (rst, set, clk)
- BEGIN
- ASSERT
- (NOT (set = '1' AND rst = '1'))
- REPORT
- "set and rst are both 1"
- SEVERITY NOTE;
- IF set = '1' THEN
- state <= '1' AFTER sq_delay;
- ELSIF rst = '1' THEN
- state <= '0' AFTER rq_delay;
- ELSIF clk = '1' AND clk'EVENT THEN
- state <= d AFTER cq_delay;
- END IF;
- END PROCESS dff;
- q <= state;
- qb <= NOT state;
- END behavioral;
- Conditions are checked only when process is activated
- Make sure that set='1' AND rst='1' does not happen
- Severity NOTE issues message
- Behavioral.assertion
- ASSERT
- Good Conditions
- REPORT
- Violation of good condition
- SEVERITY
- Level;
- Good conditions may be too many to list
- Good conditions = NOT (Bad conditions)
- Easier to use NOT of unwanted cases
- Behavioral.assert
- Use assert to check setup and hold
- ASSERT set_up_violation check REPORT...
- ASSERT hold_violation check REPORT...
- Behavioral.assert
- Setup check in English:
- When
- (clock changes from zero to 1),
- if
- (data input has not been stable at least for the amount of the setup time),
- then a setup time violation has occurred.
- Setup check in VHDL:
- (clock='1' AND NOT clock'STABLE)
- AND
- (NOT data'STABLE (setup_time)
- When the clock changes, check for stable data
- Check is placed after clock changes
- Behavioral.assert
- Hold check in English:
- When
- (there is a change on the data input)
- if
- (logic value on the clock is '1')
- and
- (clock has got a new value more recent than the amount of hold time)
- then a hold time violation has occurred.
- Hold check in VHDL:
- (data'EVENT)
- AND
- (clock='1')
- AND
- (NOT clock'STABLE (hold_time))
- When data changes while clock is '1', check for stable clock
- Check is placed after data changes
- Behavioral.assert
- ENTITY d_sr_flipflop IS
- GENERIC (sq_delay, rq_delay, cq_delay : TIME := 6 NS;
- set_up, hold : TIME := 4 NS);
- PORT (d, set, rst, clk : IN BIT; q, qb : OUT BIT);
- BEGIN
- ASSERT (NOT (clk = '1' AND clk'EVENT AND NOT d'STABLE(set_up) ))
- REPORT "Set_up time violation"
- SEVERITY WARNING;
- ASSERT (NOT (d'EVENT AND clk = '1' AND NOT clk'STABLE(hold) ))
- REPORT "Hold time violation"
- SEVERITY WARNING;
- END d_sr_flipflop;
- --
- ARCHITECTURE behavioral OF d_sr_flipflop IS
- SIGNAL state : BIT := '0';
- BEGIN
- dff: PROCESS (rst, set, clk)
- BEGIN
- ASSERT (NOT (set = '1' AND rst = '1'))
- REPORT "set and rst are both 1"
- SEVERITY NOTE;
- IF set = '1' THEN state <= '1' AFTER sq_delay;
- ELSIF rst = '1' THEN state <= '0' AFTER rq_delay;
- ELSIF clk = '1' AND clk'EVENT THEN state <= d AFTER cq_delay;
- END IF;
- END PROCESS dff;
- q <= state; qb <= NOT state;
- END behavioral;
- Concurrent assertion statements
- Behavioral.wait
- WAIT FOR waiting_time;
- WAIT ON waiting_sensitivity_list;
- WAIT UNTIL waiting_condition;
- WAIT;
- Sequential statements
- Used for handshaking and delay modeling
- WAIT FOR real_time;
- WAIT FOR; --"a long time"
- WAIT ON (event on a signal);
- WAIT UNTIL event makes condition true;
- WAIT; --"forever"
- Behavioral.wait
- PROCESS PROCESS (a, b, c)
- BEGIN BEGIN
- . .
- . .
- . .
- WAIT ON (a, b, c); .
- END PROCESS; END PROCESS;
- WAIT ON at the end is equivalent to using sensitivity list
- Cannot use WAIT in a process with sensitivity list
- WAIT suspends a Process
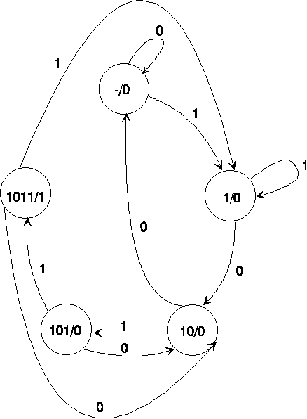
- Behavioral.wait.state_machine
- A Moore 1011 detector
- Can use WAIT in a Process statement
- Behavioral.wait.state_machine
- ENTITY moore_detector IS
- PORT (x, clk : IN BIT; z : OUT BIT);
- END moore_detector;
- --
- ARCHITECTURE behavioral_state_machine OF moore_detector IS
- TYPE state IS (reset, got1, got10, got101, got1011);
- SIGNAL current : state := reset;
- BEGIN
- PROCESS
- BEGIN
- CASE current IS
- WHEN reset =>
- WAIT UNTIL clk = '1';
- IF x = '1' THEN current <= got1; ELSE current <= reset;
- END IF;
- WHEN got1 =>
- WAIT UNTIL clk = '1';
- IF x = '0' THEN current <= got10; ELSE current <= got1;
- END IF;
- WHEN got10 => WAIT UNTIL clk = '1';
- IF x = '1' THEN current <= got101; ELSE current <= reset;
- END IF;
- WHEN got101 => WAIT UNTIL clk = '1';
- IF x = '1' THEN current <= got1011; ELSE current <= got10;
- END IF;
- WHEN got1011 => z <= '1';
- WAIT UNTIL clk = '1';
- IF x = '1' THEN current <= got1; ELSE current <= got10;
- END IF;
- END CASE;
- WAIT FOR 1 NS; z <= '0';
- END PROCESS;
- END behavioral_state_machine;
- Each choice corresponds to a state
- Behavioral.wait.state_machine
- ARCHITECTURE behavioral_state_machine OF moore_detector IS
- TYPE state IS (reset, got1, got10, got101, got1011);
- SIGNAL current : state := reset;
- BEGIN
- PROCESS
- BEGIN
- CASE current IS
- . . .
- WHEN got1 =>
- WAIT UNTIL clk = '1';
- IF x = '0' THEN current <= got10;
- ELSE current <= got1;
- END IF;
- . . .
- END CASE;
- WAIT FOR 1 NS;
- z <= '0';
- END PROCESS;
- END behavioral_state_machine;
- WAIT for rising edge of clk
- Assign new state to current
- Wait for transaction on current
- Repeat forever
- Can use WAIT ON current 'TRANSACTION instead
- Timing check flexibility in each state
- Behavioral.wait.state_machine
ENTITY moore_detector IS
PORT (x, clk : IN BIT; z : OUT BIT);
END moore_detector;
--
ARCHITECTURE most_behavioral_state_machine OF moore_detector IS
TYPE state IS (reset, got1, got10, got101, got1011);
SIGNAL current : state := reset;
BEGIN
PROCESS (clk)
BEGIN
IF clk = '1' THEN
CASE current IS
WHEN reset =>
IF x = '1' THEN current <= got1;
ELSE current <= reset; END IF;
WHEN got1 =>
IF x = '0' THEN current <= got10;
ELSE current <= got1; END IF;
WHEN got10 =>
IF x = '1' THEN current <= got101;
ELSE current <= reset; END IF;
WHEN got101 =>
IF x = '1' THEN current <= got1011;
ELSE current <= got10; END IF;
WHEN got1011 =>
IF x = '1' THEN current <= got1;
ELSE current <= got10; END IF;
END CASE;
END IF;
END PROCESS;
z <= '1' WHEN current = got1011 ELSE '0';
END most_behavioral_state_machine;
- Most behavioral state machine
- Least flexible, single active state
- Behavioral.wait.clocking
. . .
phase2: PROCESS
BEGIN
WAIT UNTIL c1 = '0';
WAIT FOR 10 NS;
c2 <= '1';
WAIT FOR 480 NS;
c2 <= '0';
END PROCESS phase2;
. . .
- Use WAIT for two phase clocking
- Behavioral.wait.handshaking
-- start the following when ready to send data
data_lines <= newly_prepared_data;
System data_ready <= '1';
A WAIT UNTIL accepted = '1';
data_ready <= '0';
-- can use data_lines for other purposes
-- start the following when ready to accept data
WAIT UNTIL data_ready = '1';
System accepted <= '1';
B -- start processing the newly received data
WAIT UNTIL data_ready - '0';
accepted <= '0';
- Systems A & B talk
- A prepares data, B accepts data
- B releases A when data is picked
- Behavioral.wait.handshaking
- Use handshaking mechanism in an interface
- A prepares 4 bit data, B needs 16 bit data
- Create interface system I
- Talk to A to get data, talk to B to put data
- Behavioral.wait.handshaking
- ENTITY system_i IS
- PORT (in_data : IN BIT_VECTOR (3 DOWNTO 0);
- out_data : OUT BIT_VECTOR (15 DOWNTO 0);
- in_ready, out_received : IN BIT; in_received, out_ready : OUT BIT);
- END system_i;
- --
- ARCHITECTURE waiting OF system_i IS
- SIGNAL buffer_full, buffer_picked : BIT := '0';
- SIGNAL word_buffer : BIT_VECTOR (15 DOWNTO 0);
- BEGIN
- a_talk: PROCESS
- BEGIN
- . . .
- -- Talk to A, collect 4 4-bit data, keep a count
- -- When ready, pass 16-bit data to b_talk
- . . .
- END PROCESS a_talk;
- b_talk: PROCESS
- BEGIN
- . . .
- -- Wait for 16-bit data from a_talk
- -- When data is received, send to B using proper handshaking
- . . .
- END PROCESS b_talk;
- END waiting;
- a_talk process & b_talk process also talk to each other
- Use buffer_full, buffer_picked, and word_buffer for a_talk and b_talk communication
- Behavioral.wait.handshaking
- a_talk: PROCESS
- VARIABLE count : INTEGER RANGE 0 TO 4 := 0;
- BEGIN
- WAIT UNTIL in_ready = '1';
- count := count + 1;
- CASE count IS
- WHEN 0 => NULL;
- WHEN 1 => word_buffer (03 DOWNTO 00) <= in_data;
- WHEN 2 => word_buffer (07 DOWNTO 04) <= in_data;
- WHEN 3 => word_buffer (11 DOWNTO 08) <= in_data;
- WHEN 4 => word_buffer (15 DOWNTO 12) <= in_data;
- buffer_full <= '1'; WAIT UNTIL buffer_picked = '1';
- buffer_full <= '0'; count := 0;
- END CASE;
- in_received <= '1';
- WAIT UNTIL in_ready = '0';
- in_received <= '0';
- END PROCESS a_talk;
- b_talk: PROCESS
- BEGIN
- IF buffer_full = '0' THEN WAIT UNTIL buffer_full = '1'; END IF;
- out_data <= word_buffer;
- buffer_picked <= '1';
- WAIT UNTIL buffer_full = '0';
- buffer_picked <= '0';
- out_ready <= '1';
- WAIT UNTIL out_received = '1';
- out_ready <= '0';
- END PROCESS b_talk;
- a_talk gets data from A and talks to b_talk
- b_talk talks to a_talk and sends data to B
- Behavioral.ASCII_IO
- USE STD.TEXTIO.ALL;
- ...
- READLINE (f, l)
- READ (l, v1), READ (l, v2), ...
- ...
- WRITE (l, v1), WRITE (l, v2), ...
- WRITELINE (f, l)
- END FILE (f)
- BIT, BIT_VECTOR, BOOLEAN,
- CHARACTER, INTEGER, REAL,
- STRING, TME
- Behavioral.ASCII_IO
- TYPE state IS (reset, got1, got10, got101);
- TYPE state_vector IS ARRAY (NATURAL RANGE <>) OF state;
- . . .
- FUNCTION one_of (sources : state_vector) RETURN state IS
- USE STD.TEXTIO.ALL;
- VARIABLE l : LINE;
- FILE flush : TEXT IS OUT "/dev/tty";
- VARIABLE state_string : STRING (1 TO 7);
- BEGIN
- FOR i IN sources'RANGE LOOP
- CASE sources(i) IS
- WHEN reset => state_string := "reset ";
- WHEN got1 => state_string := "got1 ";
- WHEN got10 => state_string := "got10 ";
- WHEN got101 => state_string := "got101 ";
- END CASE;
- WRITE (l, state_string, LEFT, 7);
- END LOOP;
- WRITELINE (flush, l);
- RETURN sources (sources'LEFT);
- END one_of;
- Add screen output to resolution function
- Print after enumeration to string type conversion
- Keep appending to l, write all sources
- Behavioral.ASCII_IO
- USE STD.TEXTIO.ALL;
- PROCEDURE display (SIGNAL value1, value2 : BIT) IS
- FILE flush : TEXT IS OUT "/dev/tty;
- VARIABLE filler : STRING (1 TO 3) := " ..";
- VARIABLE l : LINE;
- BEGIN
- WRITE (l, NOW, RIGHT, 8, NS);
- IF value1'EVENT THEN
- WRITE (l, value1, RIGHT, 3);
- WRITE (l, filler, LEFT, 0);
- ELSE
- WRITE (l, filler, LEFT, 0);
- WRITE (l, value2, RIGHT, 3);
- END IF;
- WRITELINE (flush, l);
- END display;
- An EVENT on value1 or value2 puts the following in l:
- NOW
- An EVENT on value1 puts the following in l:
- v1 ...
- An EVENT on value2 puts the following in l:
- ... v2
- time v1 ...
- time ... v2
- Behavioral.ASCII_IO
- ENTITY two_phase_clock IS END two_phase_clock;
- --
- ARCHITECTURE input_output OF two_phase_clock IS
- -- The above display procedure goes here
- SIGNAL c1 : BIT := '1';
- SIGNAL c2 : BIT := '0';
- BEGIN
- phase1: c1 <= NOT c1 AFTER 500 NS WHEN NOW < 4 US ELSE c1;
- phase2: PROCESS
- BEGIN
- WAIT UNTIL c1 = '0';
- WAIT FOR 10 NS;
- c2 <= '1';
- WAIT FOR 480 NS;
- c2 <= '0';
- END PROCESS phase2;
- display (c1, c2);
- END input_output;
- Using display to display two clock phases
- FILE is reinitialized each time
- Because file is reinitialized, can only output to screen
- Behavioral.ASCII_IO
- USE STD.TEXTIO.ALL;
- ENTITY two_phase_clock IS END two_phase_clock;
- --
- ARCHITECTURE input_output OF two_phase_clock IS
- SIGNAL c1 : BIT := '1'; SIGNAL c2 : BIT := '0';
- BEGIN
- . . .
- -- Generate c1 and c2 phases of the clock
- . . .
- writing: PROCESS (c1, c2)
- FILE flush : TEXT IS OUT "clock.out";
- VARIABLE filler : STRING (1 TO 3) := " ..";
- VARIABLE l : LINE;
- BEGIN
- WRITE (l, NOW, RIGHT, 8, NS);
- IF c1'EVENT THEN
- WRITE (l, c1, RIGHT, 3);
- WRITE (l, filler, LEFT, 0);
- ELSE
- WRITE (l, filler, LEFT, 0);
- WRITE (l, c2, RIGHT, 3);
- END IF;
- WRITELINE (flush, l);
- END PROCESS writing;
- END input_output;
- Declare FILE in process to keep it open during IO
- Same file (clock.out) will be preserved
- Behavioral.ASCII_IO
- Output produced in the clock.out file
- Same output is also produced by display on the screen
- Behavioral.ASCII_IO
-
ARCHITECTURE input_output OF two_phase_clock IS
- . . .
- SIGNAL print_tick : BIT := '0';
- CONSTANT print_resolution : TIME := 5 NS;
- BEGIN
- -- Generate c1 and c2 phases of the clock as before
- print_tick <= NOT print_tick AFTER print_resolution WHEN NOW <= 2 US
- ELSE print_tick;
- plotting: PROCESS (print_tick, c1, c2)
- FILE flush : TEXT IS OUT "clock4.out";
- VARIABLE header : STRING (1 TO 18) := " c1 c2 ";
- VARIABLE l : LINE;
- PROCEDURE append_wave_slice (SIGNAL s : BIT) IS
- VARIABLE lo_value : STRING (1 TO 3) := "| ";
- VARIABLE hi_value : STRING (1 TO 3) := " |";
- VARIABLE lo_to_hi : STRING (1 TO 3) := ".-+";
- VARIABLE hi_to_lo : STRING (1 TO 3) := "+-.";
- BEGIN
- IF s'LAST_EVENT < print_resolution AND s'LAST_VALUE /= s THEN
- IF s = '1' THEN WRITE (l, lo_to_hi, RIGHT, 5); -- Event occurs
- ELSE WRITE (l, hi_to_lo, RIGHT, 5); END IF;
- ELSE
- IF s = '1' THEN WRITE (l, hi_value, RIGHT, 5); -- No event
- ELSE WRITE (l, lo_value, RIGHT, 5); END IF;
- END IF;
- END append_wave_slice;
- BEGIN
- IF NOW = 0 US THEN WRITE (l, header, LEFT, 0); WRITELINE (flush, l);
- END IF;
- WRITE (l, NOW, RIGHT, 8, NS);
- append_wave_slice (c1); append_wave_slice (c2);
- WRITELINE (flush, l);
- END PROCESS plotting;
- END input_output;
- Behavioral.ASCII_IO
- Plotting is activated every 5 NS
- Write " |" for '1'; "| " for '0'
- Write "+-." for 1 to 0
- Write ".-+" for 0 to 1
- Behavioral.ASCII_IO
- PROCEDURE reading_from_file (
- VARIABLE in_file: IN TEXT;
- ... other parameters ...
- );
- PROCEDURE writing_to_file (
- VARIABLE out_file : OUT TEXT;
- ... other parameters...
- );
- To use procedure, declared file must be passed
- Declare FILE outside procedure
- Pass as IN or OUT variable
- Declare LINE inside procedure
- Behavioral.MSI_design
- Design based on MSI parts
- Assume above parts are available
- Behavioral.MSI_based_design
- ENTITY ls377_register IS
- CONSTANT prop_delay : TIME := 7 NS;
- PORT (clk, g_bar : IN BIT; d8 : IN BIT_VECTOR (7 DOWNTO 0);
- q8 : OUT BIT_VECTOR (7 DOWNTO 0));
- END ls377_register;
- --
- ARCHITECTURE dataflow OF ls377_register IS
- BEGIN
- GUARD <= NOT clk'STABLE AND clk = '1' AND (g_bar = '0')
- q8 <= GUARDED d8 AFTER prop_delay;
- END dataflow;
- 74LS377, clocked register
- Default delays can be used or reconfigured
- Behavioral.MSI_based_design
- USE WORK.basic_utilities.ALL;
- ENTITY ls85_comparator IS
- GENERIC (prop_delay : TIME := 10 NS);
- PORT (a, b : IN BIT_VECTOR (3 DOWNTO 0); gt, eq, lt : IN BIT;
- a_gt_b, a_eq_b, a_lt_b : OUT BIT);
- END ls85_comparator;
- --
- ARCHITECTURE behavioral OF ls85_comparator IS
- BEGIN
- PROCESS (a, b, gt, eq, lt)
- VARIABLE ai, bi : INTEGER;
- BEGIN
- bin2int (a, ai); bin2int (b, bi);
- IF ai > bi THEN a_eq_b <= '0' AFTER prop_delay;
- a_gt_b <= '1' AFTER prop_delay; a_lt_b <= '0' AFTER prop_delay;
- ELSIF ai < bi THEN a_eq_b <= '0' AFTER prop_delay;
- a_gt_b <= '0' AFTER prop_delay; a_lt_b <= '1' AFTER prop_delay;
- ELSIF ai = bi THEN a_eq_b <= eq AFTER prop_delay;
- a_gt_b <= gt AFTER prop_delay; a_lt_b <= lt AFTER prop_delay;
- END IF;
- END PROCESS;
- END behavioral;
- 74LS85, four bit comparator
- Default delays can be configured later
- Behavioral.MSI_based_design
- ENTITY ls163_counter IS
- GENERIC (prop_delay : TIME := 12 NS);
- PORT (clk, clr_bar, ld_bar, enp, ent : IN BIT;
- abcd : IN BIT_VECTOR (3 DOWNTO 0);
- q_abcd : OUT BIT_VECTOR (3 DOWNTO 0); rco : OUT BIT);
- END ls163_counter;
- --
- ARCHITECTURE behavioral OF ls163_counter IS
- BEGIN
- counting : PROCESS (clk)
- VARIABLE internal_count : BIT_VECTOR (3 DOWNTO 0) := "0000";
- BEGIN
- IF (clk'EVENT AND clk = '1') THEN
- IF (clr_bar = '0') THEN internal_count := "0000";
- ELSIF (ld_bar = '0') THEN internal_count := abcd;
- ELSIF (enp = '1' AND ent = '1') THEN
- internal_count := inc (internal_count);
- IF (internal_count = "1111") THEN rco <= '1' AFTER prop_delay;
- ELSE rco <= '0'; END IF;
- END IF;
- q_abcd <= internal_count AFTER prop_delay;
- END IF;
- END PROCESS counting;
- END behavioral;
- 74LS163, four bit synchronous counter
- Default delays can be overwritten
- Behavioral.MSI_based_design
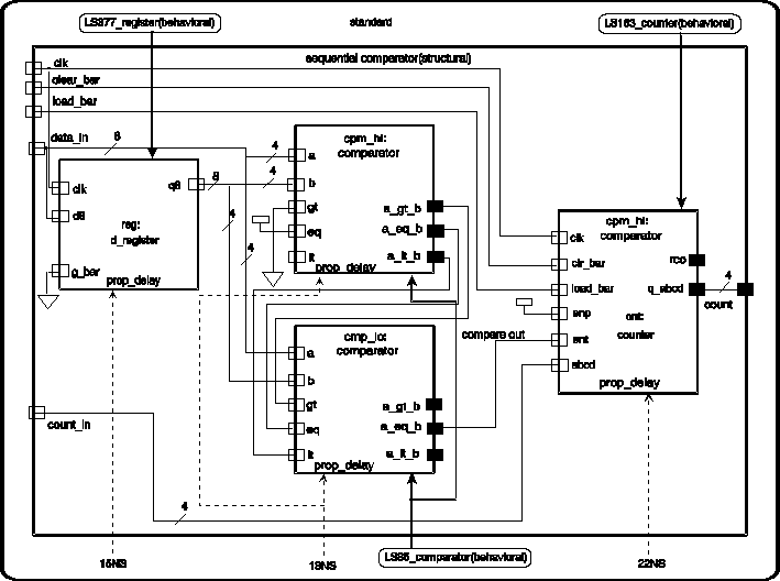
- Design a sequential comparator
- Count matching consecutive data
- Partition according to available parts
- Behavioral.MSI_based_based_design
- Design is based on available parts
- Configure to use LS library, specify delay
- Behavioral.MSI_based_design
USE WORK.basic_utilities.ALL;
ENTITY sequential_comparator IS
PORT (data_in : IN qit_vector (7 DOWNTO 0);
clk, clear_bar, load_bar : IN qit;
count_in : IN qit_vector (3 DOWNTO 0);
count : OUT qit_vector (3 DOWNTO 0) );
BEGIN
ASSERT NOT
((clk='0' AND NOT clk'STABLE) AND NOT clk'DELAYED'STABLE (1 US))
REPORT "Minimum Clock Width Violation" SEVERITY WARNING;
END sequential_comparator;
--
ARCHITECTURE structural OF sequential_comparator IS
COMPONENT d_register PORT (... as in 74ls377...) END COMPONENT;
COMPONENT comparator PORT (... as in 74ls85...) END COMPONENT;
COMPONENT counter PORT (... as in 74ls163...) END COMPONENT;
SIGNAL gnd : qit := '0'; SIGNAL vdd : qit := '1';
SIGNAL old_data : qit_vector (7 DOWNTO 0);
SIGNAL compare_out, gt_i, eq_i, lt_i : qit;
BEGIN
reg: d_register PORT MAP (clk, gnd, data_in, old_data);
cmp_lo: comparator PORT MAP (
data_in (3 DOWNTO 0), old_data (3 DOWNTO 0),
gnd, vdd, gnd, gt_i, eq_i, lt_i);
cmp_hi: comparator PORT MAP (
data_in (7 DOWNTO 4), old_data (7 DOWNTO 4),
gt_i, eq_i, lt_i, OPEN, compare_out, OPEN);
cnt: counter PORT MAP (
clk, clear_bar, load_bar, vdd, compare_out,
count_in, count, OPEN);
END structural;
- Component declarations do not include generics
- Unconfigured description wires components
- Behavioral.MSI_based_design
USE WORK.ALL;
CONFIGURATION standard OF sequential_comparator IS
FOR structural
FOR reg : d_register
USE ENTITY WORK.ls377_register (dataflow)
GENERIC MAP (prop_delay => 15 NS);
END FOR;
FOR ALL : comparator
USE ENTITY WORK.ls85_comparator (behavioral)
GENERIC MAP (prop_delay => 18 NS);
END FOR;
FOR cnt : counter
USE ENTITY WORK.ls163_counter (behavioral)
GENERIC MAP (prop_delay => 22 NS);
END FOR;
END FOR;
END standard;
- Configuration declaration binds to 74LS parts
- Generic values overwrite those of the 74LS parts
- Behavioral.MSI_based_design
USE WORK.basic_utilities.ALL;
ENTITY test_sequential_comparator IS END test_sequential_comparator;
--
ARCHITECTURE input_output OF test_sequential_comparator IS
COMPONENT seq_comp
PORT (data_in : IN qit_vector (7 DOWNTO 0);
clk, clear_bar, load_bar : IN qit;
count_in : IN qit_vector (3 DOWNTO 0);
count : OUT qit_vector (3 DOWNTO 0) );
END COMPONENT;
FOR mfi : seq_comp USE CONFIGURATION WORK.standard;
SIGNAL data : qit_vector (7 DOWNTO 0);
SIGNAL ck, cl_bar, ld_bar : qit;
SIGNAL cnt : qit_vector (3 DOWNTO 0);
SIGNAL cnt_out : qit_vector (3 DOWNTO 0);
BEGIN
ck <= NOT ck AFTER 2 US WHEN NOW <= 70 US ELSE ck;
cl_bar <= '1', '0' AFTER 60 US;
ld_bar <= '1', '0' AFTER 50 US, '1' AFTER 55 US;
cnt <= "1111", "1011" AFTER 40 US, "0111" AFTER 55 US;
data <= "00000000", "01110111" AFTER 3 US, "10101100" AFTER 5 US,
"01010100" AFTER 25 US;
mfi : seq_comp PORT MAP (data, ck, cl_bar, ld_bar, cnt, cnt_out);
END input_output;
- Testbench verifies behavior
Behavioral_Descriptions.conclusions
1. Outline: Introduction, Organization, Outline
2. Review: Behavioral description, Using process statements, Top-down design, Using available components, Wiring predefined components, Wiring from bottom to top, Generation of testbench data, Using procedures
3. VHDL_Timing: Modeling requirements, Objects & classes, Signals & variables, Concurrent & sequential assignments, Events, transactions & delta delays, Delay modeling, Sequential placement of transactions, Conventions
4. Structural_Description_of_Hardware: Wiring parts into larger designs, Start with primitives, Wire gates into general purpose components, Use iterative constructs, Generate testbenches, Show binding alternatives, Use gate-based components for a larger design
5. Design_Organization: Subprograms, Packaging, Parameter specification, Parametrization, Top level configuration, Design libraries, A complete example
6. Utilities_for_high_level_descriptions: Language aspects, Types, Over loading subprograms operators, Predefined Attributes, User defined attributes
7. Dataflow: Constructs for dataflow descriptions, Multiplexing and clocking, Multiple assignments, State machines, Open collector gates, A complete dataflow example, Load dependent timing
9. STANDARDS: MVL9: logic value system, Logic type, Operators, Conversions; VHDL'93: Operators, Delay model, Instantiation, Binding, Attributes, Signal assignments, Report, Postponed process
to the top of the Document