|
MegaWizard Plug-in Manager¿¡¼ Á¦°øµÇ´Â LPM_FuctionÁß LPM_COMPARE¶ó°íÇÏ´Â ¹Ù±³±â FunctionÀÌ ÀÖ½À´Ï´Ù... ±âº»ÀûÀ¸·Î´Â Flip-FlopÀÌ ÇÊ¿äÄ¡ ¾ÊÀº Á¶ÇÕȸ·ÎÀÔ´Ï´Ù¸¸, PLDÀÇ Æ¯¼º»ó µ¿±â½Ä ¼³°è°¡ ÇÊ¿äÇÒ °æ¿ì°¡ ´ëºÎºÐÀÌ¾î¼ LPM_COMPARE Function¿¡¼µµ PipelineÀ̶ó´Â À̸§À¸·Î Clock¿¡ ÀÇÇÑ Á¦¾î°¡ °¡´ÉÇϵµ·Ï ±â´ÉÀ» Á¦°øÇϰí ÀÖ½À´Ï´Ù... (¾Æ¸¶ °ÅÀÇ ¸ðµçºÐµéÀÌ Pipeline OptionÀ» ±âº»ÀûÀ¸·Î ¼³Á¤À» ÇÏ½Ç°É·ç »ý°¢µË´Ï´Ù...)
¿©±â¿¡¼´Â LPM_COMPARE Function¿¡¼ Pipeline OptionÀÇ ¼³Á¤¿¡ µû¶ó ³»ºÎȸ·Î°¡ ¾î¶»°Ô ±¸¼ºÀÌ µÇ´ÂÁö ±×¸²À» »ç¿ëÇØ °£·«È÷ ¼³¸íÇÕ´Ï´Ù...
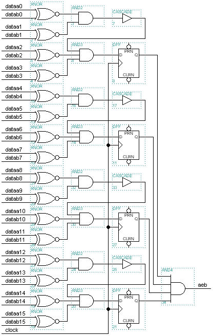
LPM_COMPAREÀÇ Pipeline °ªÀ» "1"·Î ÇØ¼ CompileÀ» Çϸé,


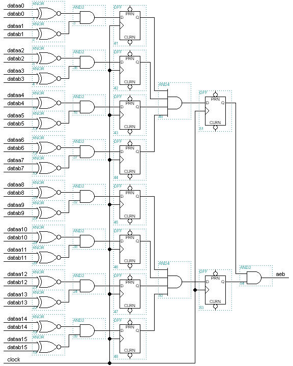
LPM_COMPAREÀÇ Pipeline °ªÀ» "2"·Î ÇØ¼ CompileÀ» Çϸé,


PipelineÀÇ °ª¿¡µû¶ó ±× ³»ºÎ±¸Á¶°¡ Á¶±ÝÀº ´Ù¸£°Ô ±¸¼ºÀÌ µÊÀ» ¾Ë ¼ö ÀÖ½À´Ï´Ù... ÇöÀç ÀÚ½ÅÀÌ ÀÛ¼ºÁßÀΠȸ·Î¿¡¼´Â ¾ó¸¶°¡ Àû´çÇÑ °ªÀÎÁö ¾Ë¾Æ³»´Â °Ç »ç¿ëÀÚÀÇ ¸òÀÔ´Ï´Ù... PipelineÀ» ¸¹ÀÌÇÑ´Ù°í ¸¶³É ÁÁÀº°Ç ¾Æ´ÏÁÒ... Gate¼öÀÇ Áõ°¡¿Í ¼ÒºñÀü·ùÀÇ Áõ°¡µµ ¹«½ÃÇÒ ¼ö ¾ø´Â °ü°èÀ̹ǷÎ... (2002.2.13)
|